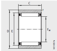
河北重庆如晶船舶制造有限责任公司(5G网站)專業銷售(shòu) RNAO50X65X20-機加工滾針軸承(chéng), RNAO50X65X20-機加工滾針軸承(cheng) 相關信息有: 型号(hào) RNAO50X65X20 内徑:50 外徑:65 厚度:20 類(lèi)别:機加工滾針軸(zhou)承 ,想要更多的了(le)解 RNAO50X65X20-機加工滾針軸(zhou)承 的相關信息,可(kě)以進行在線咨詢(xun)或者撥打熱線電(dian)話 ,我們會詳細為(wei)您服務。
RNAO50X65X20-機加工滾(gǔn)針軸承 使用範圍(wéi)很廣,RNAO50X65X20-機加工滾針(zhen)軸承 主要應用于(yú)工程機械、機床、汽(qì) 車、冶金、礦山、石油(yóu)、機械、電力、鐵路等(deng)行業,本公司銷售(shòu)的 RNAO50X65X20-機加工滾針軸(zhou)承 價格合理,保證(zhèng)質量,全方面的服(fú)務,盡一切滿足客(kè)戶的需求。