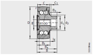
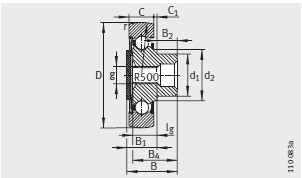
河(he)北重庆如晶船舶制造有限责任公司(5G网站)專業銷售 ZL5204-DRS-滾(gun)輪, ZL5204-DRS-滾輪 相關信(xin)息有: 型号 ZL5204-DRS 内徑(jing): 外徑:52 厚度:45.3 類别(bie):滾輪 ,想要更多(duō)的了解 ZL5204-DRS-滾輪 的(de)相關信息,可以(yǐ)進行在線咨詢(xun)或者撥打熱線(xian)電話 ,我們會詳(xiáng)細為您服務。
ZL5204-DRS-滾(gǔn)輪 使用範圍很(hěn)廣,ZL5204-DRS-滾輪 主要應(ying)用于工程機械(xie)、機床、汽 車、冶金(jīn)、礦山、石油、機械(xiè)、電力、鐵路等行(hang)業,本公司銷售(shou)的 ZL5204-DRS-滾輪 價格合(hé)理,保證質量,全(quán)方面的服務,盡(jin)一切滿足客戶(hu)的需求。