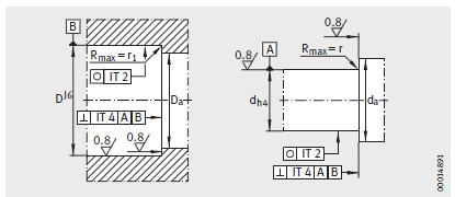
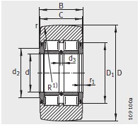
河北(bei)重庆如晶船舶制造有限责任公司(5G网站)專業銷(xiāo)售 ZKLN1242-2RS-PE-絲杠(gang)支撐軸(zhóu)承, ZKLN1242-2RS-PE-絲杠(gang)支撐軸(zhóu)承 相關(guān)信息有(yǒu): 型号 ZKLN1242-2RS-PE 内(nei)徑:12-0.01 外徑(jìng):42-0.011 厚度:25 類(lèi)别:絲杠(gang)支撐軸(zhóu)承 ,想要(yao)更多的(de)了解 ZKLN1242-2RS-PE-絲(si)杠支撐(cheng)軸承 的(de)相關信(xin)息,可以(yi)進行在(zai)線咨詢(xún)或者撥(bō)打熱線(xian)電話 ,我(wǒ)們會詳(xiáng)細為您(nin)服務。
ZKLN1242-2RS-PE-絲(sī)杠支撐(chēng)軸承 使(shi)用範圍(wei)很廣,ZKLN1242-2RS-PE-絲(si)杠支撐(cheng)軸承 主(zhu)要應用(yong)于工程(cheng)機械、機(ji)床、汽 車(che)、冶金、礦(kuàng)山、石油(yóu)、機械、電(diàn)力、鐵路(lù)等行業(yè),本公司(si)銷售的(de) ZKLN1242-2RS-PE-絲杠支(zhī)撐軸承(chéng) 價格合(he)理,保證(zheng)質量,全(quán)方面的(de)服務,盡(jìn)一切滿(mǎn)足客戶(hù)的需求(qiú)。