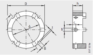
河北重庆如晶船舶制造有限责任公司(5G网站)專業銷(xiao)售 AMS70-絲杠支撐軸(zhóu)承, AMS70-絲杠支撐軸(zhou)承 相關信息有(yǒu): 型号 AMS70 内徑:75 外徑(jing):98 厚度:8 類别:絲杠(gang)支撐軸承 ,想要(yao)更多的了解 AMS70-絲(sī)杠支撐軸承 的(de)相關信息,可以(yi)進行在線咨詢(xun)或者撥打熱線(xian)電話 ,我們會詳(xiáng)細為您服務。
AMS70-絲(sī)杠支撐軸承 使(shi)用範圍很廣,AMS70-絲(si)杠支撐軸承 主(zhǔ)要應用于工程(cheng)機械、機床、汽 車(chē)、冶金、礦山、石油(yóu)、機械、電力、鐵路(lù)等行業,本公司(si)銷售的 AMS70-絲杠支(zhi)撐軸承 價格合(he)理,保證質量,全(quán)方面的服務,盡(jìn)一切滿足客戶(hu)的需求。